✓ En ligne depuis 2006 – Expérience fiable
✓ Plus de 100 000 produits – Large choix
✓ Expédition rapide – Direct depuis notre entrepôt
✓ Livraison gratuite dès 100 €

Miroir mural effet cadre bois blanc 13x18 cm

  • Numéro d'article: 0585-1318-05 Effect
  • EAN: 4063155294539
  • Catégorie: Miroirs

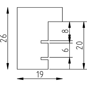
Cadre miroir 13x18 cm, profil bois massif peint blanc largeur 1,9 cm, design sobre et élégant, arrière-plan avec support, peint 6 fois selon directives EU
Couleur 
Taille 

28,70 €
Incl. 20% T.V.A. , plus Expédition