✓ En ligne depuis 2006 – Expérience fiable
✓ Plus de 100 000 produits – Large choix
✓ Expédition rapide – Direct depuis notre entrepôt
✓ Livraison gratuite dès 100 €

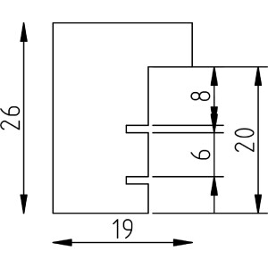
Cadre miroir en bois massif blanc 18x24 cm, profil 58

  • Numéro d'article: 0585-1824-05 Effect
  • EAN: 4063155294638
  • Catégorie: Miroirs

Cadre miroir blanc 18x24 cm, profil bois massif, laque lisse 6 couches, encadrement 1,9 cm, support arrière, suspendre ou poser, design sobre haut de gamme
Couleur 
Taille 

33,30 €
Incl. 20% T.V.A. , plus Expédition