✓ En ligne depuis 2006 – Expérience fiable
✓ Plus de 100 000 produits – Large choix
✓ Expédition rapide – Direct depuis notre entrepôt
✓ Livraison gratuite dès 100 €

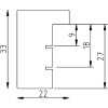
Cadre photo effet Profil 54 chêne 7x10 cm verre trempé

Cadre photo en bois massif chêne, verre trempé résistant, finition lambrissée, support mural ou posé, style Shabby-Chic, format 7x10 cm
Couleur 
Type De Verre 
Taille 

32,40 €
Incl. 20% T.V.A. , plus Expédition