✓ En ligne depuis 2006 – Expérience fiable
✓ Plus de 100 000 produits – Large choix
✓ Expédition rapide – Direct depuis notre entrepôt
✓ Livraison gratuite dès 100 €

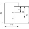
Cadre photo effet Profil 54 chêne clair 13x13 cm verre sécurité

Cadre photo en bois massif chêne clair 13x13 cm, verre de sécurité anti-reflets, style Shabby-Chic ou rustique, support mural ou posable
Couleur 
Type De Verre 
Taille 

37,70 €
Incl. 20% T.V.A. , plus Expédition