✓ En ligne depuis 2006 – Expérience fiable
✓ Plus de 100 000 produits – Large choix
✓ Expédition rapide – Direct depuis notre entrepôt
✓ Livraison gratuite dès 100 €

Cadre photo bois profond 58 antiquité argent 60x80 cm verre clair

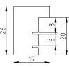
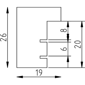
Cadre photo 60x80 cm en bois massif, profil en bloc profond, lisses 1,9 cm, verre clair, adapté pour suspension murale
Couleur 
Type De Verre 
Taille Du Cadre 

76,95 €
Incl. 20% T.V.A. , plus Expédition