✓ En ligne depuis 2006 – Expérience fiable
✓ Plus de 100 000 produits – Large choix
✓ Expédition rapide – Direct depuis notre entrepôt
✓ Livraison gratuite dès 100 €

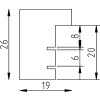
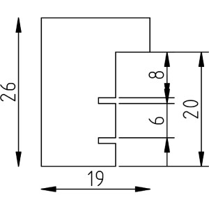
Cadre photo effet profil 58 argent antique 60x80 cm anti-reflet

Cadre photo 60x80 cm, bois massif, profil en bloc profond, lattes laquées 1,9 cm, verre anti-reflet, style argent antique
Couleur 
Type De Verre 
Taille Du Cadre 

81,90 €
Incl. 20% T.V.A. , plus Expédition