✓ En ligne depuis 2006 – Expérience fiable
✓ Plus de 100 000 produits – Large choix
✓ Expédition rapide – Direct depuis notre entrepôt
✓ Livraison gratuite dès 100 €

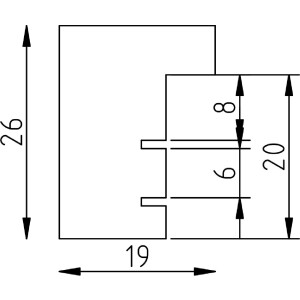
Miroir mural en bois profil 58 antiquité argent 20x28 cm

  • Numéro d'article: 0585-2028-24 Effect
  • EAN: 4063155294744
  • Catégorie: Miroirs

Cadre miroir en bois massif, profil antiquité argent, largeur 1,9 cm, design fin et élégant, montage mural, idéal pour salles de bain et espaces de vie
Couleur 
Taille 

35,80 €
Incl. 20% T.V.A. , plus Expédition