✓ En ligne depuis 2006 – Expérience fiable
✓ Plus de 100 000 produits – Large choix
✓ Expédition rapide – Direct depuis notre entrepôt
✓ Livraison gratuite dès 100 €

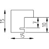
Effect Cadre Photo Chêne 25x60 cm Verre Sécurité

Cadre photo en bois massif chêne noble, profilé fin 1,5 cm, verre sécurité anti-reflet UV, format 25x60 cm, suspension murale intégrée
Type de verre 
Taille 

74,80 €
Incl. 20% T.V.A. , plus Expédition