✓ En ligne depuis 2006 – Expérience fiable
✓ Plus de 100 000 produits – Large choix
✓ Expédition rapide – Direct depuis notre entrepôt
✓ Livraison gratuite dès 100 €

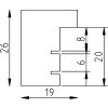
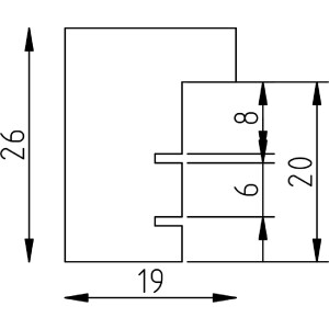
Effect cadre photo bois profil 58 blanc 27x48 cm verre musée

Cadre photo en bois massif, profil en bloc profond, vernis à 6 couches, verre muséum UV 70%, format 27x48 cm, pour œuvres d’art durable et élégante
Couleur 
Type De Verre 
Taille Du Cadre 

88,21 €
Incl. 20% T.V.A. , plus Expédition