✓ En ligne depuis 2006 – Expérience fiable
✓ Plus de 100 000 produits – Large choix
✓ Expédition rapide – Direct depuis notre entrepôt
✓ Livraison gratuite dès 100 €

Cadre photo Top Pro bleu 30x45 cm verre artificiel

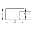
Cadre photo profil Top Pro bleu 30x45 cm, bois massif lisse, verre artificiel résistant aux chocs et UV, laque bleue 6 couches, antireflectif unidirectionnel, fixation murale verticale ou horizontale
Couleur 
Type de verre 
Taille 

48,55 €
Incl. 20% T.V.A. , plus Expédition