✓ En ligne depuis 2006 – Expérience fiable
✓ Plus de 100 000 produits – Large choix
✓ Expédition rapide – Direct depuis notre entrepôt
✓ Livraison gratuite dès 100 €

Cadre Photo Profil Top Pro Flieder 18x24 cm Verre Musée

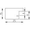
Cadre photo Profil Top Pro flieder 18x24 cm, bois massif, verre muséum UV 70%, largeur 2,5 cm, arrière-plan + pied d’appui, pour poser ou accrocher
Couleur 
Type de verre 
Taille 

39,10 €
Incl. 20% T.V.A. , plus Expédition