✓ En ligne depuis 2006 – Expérience fiable
✓ Plus de 100 000 produits – Large choix
✓ Expédition rapide – Direct depuis notre entrepôt
✓ Livraison gratuite dès 150 €

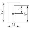
Cadre photo profil néon rose 13x18 cm acrylique Effect

Cadre photo néon rose 13x18 cm, bois massif, verre acrylique anti-reflet UV, support mural ou table, profil élégant 1,3 cm
Couleur 
Type De Verre 
Format Du Cadre 

27,35 €
Incl. T.V.A. , plus Expédition