✓ En ligne depuis 2006 – Expérience fiable
✓ Plus de 100 000 produits – Large choix
✓ Expédition rapide – Direct depuis notre entrepôt
✓ Livraison gratuite dès 150 €

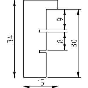
Cadre Photo en Chêne Profil 2480 15x20 cm Verre Musée

Cadre photo en chêne massif, profil block 1,5 cm, verre musée UV 70%, format 15x20 cm, support mural ou posé
Type De Verre 
Format Du Cadre 

36,20 €
Incl. T.V.A. , plus Expédition