✓ En ligne depuis 2006 – Expérience fiable
✓ Plus de 100 000 produits – Large choix
✓ Expédition rapide – Direct depuis notre entrepôt
✓ Livraison gratuite dès 100 €

Cadre photo en bois profil Top Pro rouge 60x80 cm verre transparent

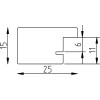
Cadre photo bois massif 60x80 cm, profil carré 2,5 cm, couleur rouge moderne, vernis 6 couches, verre transparent, mur accroché, salle de vie ou bureau
Couleur 
Type de verre 
Taille 

77,70 €
Incl. 20% T.V.A. , plus Expédition