✓ En ligne depuis 2006 – Expérience fiable
✓ Plus de 100 000 produits – Large choix
✓ Expédition rapide – Direct depuis notre entrepôt
✓ Livraison gratuite dès 100 €

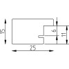
Cadre photo en bois profil top pro argent 35x50 cm verre clair

Cadre photo en bois massif, profil carré 2,5 cm, couleur argent avec revêtement moderne, verre clair, fixation murale, dimensions 35x50 cm, idéal salon ou bureau
Couleur 
Type de verre 
Taille 

41,90 €
Incl. 20% T.V.A. , plus Expédition