✓ En ligne depuis 2006 – Expérience fiable
✓ Plus de 100 000 produits – Large choix
✓ Expédition rapide – Direct depuis notre entrepôt
✓ Livraison gratuite dès 100 €

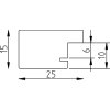
Cadre photo en bois Profil 71 Chêne 20x20 cm Verre trempé

Cadre photo en bois chêne massif, montants 2,5 cm, verre trempé antireflet, format 20x20 cm, protection UV, design noble et durable
Type de verre 
Taille 

47,95 €
Incl. 20% T.V.A. , plus Expédition