✓ En ligne depuis 2006 – Expérience fiable
✓ Plus de 100 000 produits – Large choix
✓ Expédition rapide – Direct depuis notre entrepôt
✓ Livraison gratuite dès 100 €

Cadre photo en bois Profil 58 blanc 59,4x84,1 cm avec verre anti-reflet

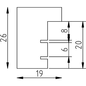
Cadre photo blanc en bois massif, profil 58, 59,4x84,1 cm, verre anti-reflet, encadrement 1,9 cm, adapté DIN A1, 6 couches vernis, robuste et élégant
Couleur 
Type De Verre 
Taille Du Cadre 

81,90 €
Incl. 20% T.V.A. , plus Expédition