✓ En ligne depuis 2006 – Expérience fiable
✓ Plus de 100 000 produits – Large choix
✓ Expédition rapide – Direct depuis notre entrepôt
✓ Livraison gratuite dès 100 €

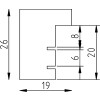
Cadre photo en bois profil 58 argent 25x35 cm avec verre anti-reflet

Cadre photo en bois massif, profil bloc profond 1,9 cm, laqué, verre anti-reflet, taille 25x35 cm, suspension murale simple
Couleur 
Type De Verre 
Taille Du Cadre 

42,65 €
Incl. 20% T.V.A. , plus Expédition