✓ En ligne depuis 2006 – Expérience fiable
✓ Plus de 100 000 produits – Large choix
✓ Expédition rapide – Direct depuis notre entrepôt
✓ Livraison gratuite dès 100 €

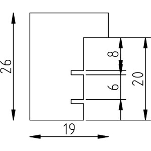
Cadre photo en bois profil 58 argent 15x20 cm verre de musée

Cadre photo en bois de haute qualité, profil profond 1,9 cm, verre de musée UV 70%, support base + mural, format 15x20 cm
Couleur 
Type De Verre 
Taille Du Cadre 

35,00 €
Incl. 20% T.V.A. , plus Expédition