✓ En ligne depuis 2006 – Expérience fiable
✓ Plus de 100 000 produits – Large choix
✓ Expédition rapide – Direct depuis notre entrepôt
✓ Livraison gratuite dès 100 €

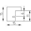
Cadre photo en bois profil 2330 blanc 40x50 cm verre clair

Cadre photo en bois massif blanc, design cubique 40x50 cm, liseré 1,5 cm, verre clair résistant, montage mural facile
Couleur 
Type de verre 
Taille 

37,55 €
Incl. 20% T.V.A. , plus Expédition