✓ En ligne depuis 2006 – Expérience fiable
✓ Plus de 100 000 produits – Large choix
✓ Expédition rapide – Direct depuis notre entrepôt
✓ Livraison gratuite dès 150 €

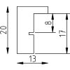
Cadre photo en bois néon rose 30x40 cm avec verre acrylique musée

Cadre photo bois massif, profil néon rose, verre acrylique musée UV résistant, format 30x40 cm, épaisseur lattes 1,3 cm, design moderne et intemporel
Couleur 
Type De Verre 
Format Du Cadre 

171,05 €
Incl. T.V.A. , Livraison gratuite