✓ En ligne depuis 2006 – Expérience fiable
✓ Plus de 100 000 produits – Large choix
✓ Expédition rapide – Direct depuis notre entrepôt
✓ Livraison gratuite dès 150 €

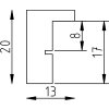
Cadre photo en bois néon jaune 30x40 cm avec verre acrylique

Cadre photo en bois massif, couleur néon jaune, verre acrylique anti-reflet, profil bloc 1,3 cm, adapté murale, pièces de vie, bureaux
Couleur 
Type De Verre 
Format Du Cadre 

54,95 €
Incl. T.V.A. , plus Expédition