✓ En ligne depuis 2006 – Expérience fiable
✓ Plus de 100 000 produits – Large choix
✓ Expédition rapide – Direct depuis notre entrepôt
✓ Livraison gratuite dès 150 €

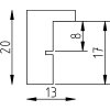
Cadre photo en bois néon jaune 10,5x14,8 cm avec verre acrylique musée

Cadre photo en bois néon jaune, profil à bloc fin 1,3 cm, verre acrylique musée UV résistant, format 10,5x14,8 cm, support de pose mural ou debout
Couleur 
Type De Verre 
Format Du Cadre 

41,60 €
Incl. T.V.A. , plus Expédition