✓ En ligne depuis 2006 – Expérience fiable
✓ Plus de 100 000 produits – Large choix
✓ Expédition rapide – Direct depuis notre entrepôt
✓ Livraison gratuite dès 100 €

Cadre photo en bois massif blanc 70x70 cm avec verre clair

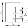
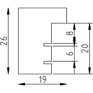
Cadre photo carré 70x70 cm, bois massif, profil à bloc profond, 6 couches de laque, verre clair, montage mural, design élégant et contemporain
Couleur 
Type De Verre 
Taille Du Cadre 

78,85 €
Incl. 20% T.V.A. , plus Expédition