✓ En ligne depuis 2006 – Expérience fiable
✓ Plus de 100 000 produits – Large choix
✓ Expédition rapide – Direct depuis notre entrepôt
✓ Livraison gratuite dès 100 €

Cadre photo en bois effet profil 58 brun clair 50x60 cm avec verre antireflexe

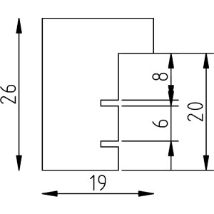
Cadre photo en bois massif, profil en bloc profond, liserés 1,9 cm, vernis 6 couches EU, verre antireflexe, dimensions 50x60 cm, brun clair
Couleur 
Type De Verre 
Taille Du Cadre 

77,00 €
Incl. 20% T.V.A. , plus Expédition