✓ En ligne depuis 2006 – Expérience fiable
✓ Plus de 100 000 produits – Large choix
✓ Expédition rapide – Direct depuis notre entrepôt
✓ Livraison gratuite dès 100 €

Cadre photo en bois effet 58 argent 40x60 cm verre musée

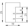
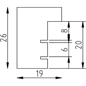
Cadre photo en bois massif, profil profond 1,9 cm, feuille d'or, verre de musée anti-UV 70%, élégance intemporelle, parfait pour art et photos
Couleur 
Type De Verre 
Taille Du Cadre 

140,35 €
Incl. 20% T.V.A. , Livraison gratuite