✓ En ligne depuis 2006 – Expérience fiable
✓ Plus de 100 000 produits – Large choix
✓ Expédition rapide – Direct depuis notre entrepôt
✓ Livraison gratuite dès 100 €

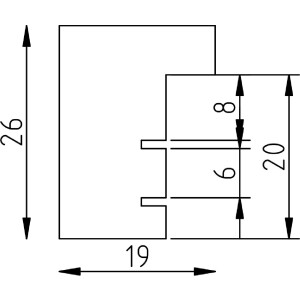
Cadre photo en bois Effect Profil 58 argent 21x29,7 cm avec verre acrylique

Cadre photo en bois massif, profil à bloc profond, épaisseur 1,9 cm, verre acrylique anti-UV, idéal pour documents DIN A4
Couleur 
Type De Verre 
Taille Du Cadre 

36,15 €
Incl. 20% T.V.A. , plus Expédition