✓ En ligne depuis 2006 – Expérience fiable
✓ Plus de 100 000 produits – Large choix
✓ Expédition rapide – Direct depuis notre entrepôt
✓ Livraison gratuite dès 100 €

Cadre photo en bois blanc 20x28 cm avec verre anti-reflet

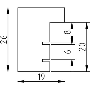
Cadre photo en bois massif blanc 20x28 cm, profil profond 1,9 cm, 6 couches vernis, verre anti-reflet, mural, élégant et durable
Couleur 
Type De Verre 
Taille Du Cadre 

33,01 €
Incl. 20% T.V.A. , plus Expédition