✓ En ligne depuis 2006 – Expérience fiable
✓ Plus de 100 000 produits – Large choix
✓ Expédition rapide – Direct depuis notre entrepôt
✓ Livraison gratuite dès 100 €

Cadre photo Effect Profil Top Pro blanc 10,5x14,8 cm verre clair

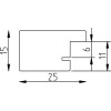
Cadre photo en bois massif, profil rectangulaire 2,5 cm, verre clair, vernis 6 fois, support mural ou debout, design intemporel
Couleur 
Type de verre 
Taille 

20,00 €
Incl. 20% T.V.A. , plus Expédition