✓ En ligne depuis 2006 – Expérience fiable
✓ Plus de 100 000 produits – Large choix
✓ Expédition rapide – Direct depuis notre entrepôt
✓ Livraison gratuite dès 100 €

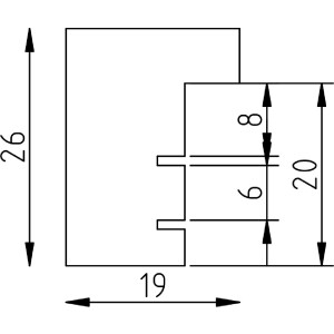
Cadre photo effect Profil 58 blanc 40x40 cm verre clair

Cadre photo en bois massif blanc 40x40 cm, profil block profond 1,9 cm, 6 couches laque UE, verre clair, suspendu au mur
Couleur 
Type De Verre 
Taille Du Cadre 

51,15 €
Incl. 20% T.V.A. , plus Expédition