✓ En ligne depuis 2006 – Expérience fiable
✓ Plus de 100 000 produits – Large choix
✓ Expédition rapide – Direct depuis notre entrepôt
✓ Livraison gratuite dès 100 €

Cadre photo bois vert mer 40x50 cm verre artificiel antireflet

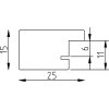
Cadre photo en bois massif, profil carré 2,5 cm, teinte vert de mer, verre artificiel antireflet, résistant UV, suspendable paysage/portrait
Couleur 
Type de verre 
Taille 

57,85 €
Incl. 20% T.V.A. , plus Expédition