✓ En ligne depuis 2006 – Expérience fiable
✓ Plus de 100 000 produits – Large choix
✓ Expédition rapide – Direct depuis notre entrepôt
✓ Livraison gratuite dès 100 €

Cadre Photo Bois Top Pro Vert Mer 21x28 cm Verre Clair

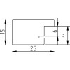
Cadre photo en bois massif, finition meeresgrüne tendance, profil rectangulaire 2,5 cm, 6 couches vernis résistantes, verre clair transparent, fixation murale sécurisée
Couleur 
Type de verre 
Taille 

28,70 €
Incl. 20% T.V.A. , plus Expédition