✓ En ligne depuis 2006 – Expérience fiable
✓ Plus de 100 000 produits – Large choix
✓ Expédition rapide – Direct depuis notre entrepôt
✓ Livraison gratuite dès 150 €

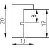
Cadre photo bois profil néon rouge 18x24 cm avec verre acrylique muséum

Cadre photo en bois massif profil bloc, verre acrylique muséum UV 100% résistant aux rayures, format 18x24 cm, couleur néon rouge audacieuse, support arrière pour pose ou suspension
Couleur 
Type De Verre 
Format Du Cadre 

69,70 €
Incl. T.V.A. , plus Expédition