✓ En ligne depuis 2006 – Expérience fiable
✓ Plus de 100 000 produits – Large choix
✓ Expédition rapide – Direct depuis notre entrepôt
✓ Livraison gratuite dès 100 €

Cadre photo bois Profil 58 argent 18x24 cm verre clair

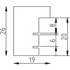
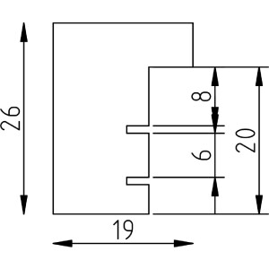
Cadre photo 18x24 cm en bois massif, profil à bloc profond 1,9 cm, feuilletage argenté, verre clair, support pose ou suspension
Couleur 
Type De Verre 
Taille Du Cadre 

26,95 €
Incl. 20% T.V.A. , plus Expédition