✓ En ligne depuis 2006 – Expérience fiable
✓ Plus de 100 000 produits – Large choix
✓ Expédition rapide – Direct depuis notre entrepôt
✓ Livraison gratuite dès 100 €

Cadre photo bois Profil 58 argent 10x10 cm verre antireflexe

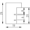
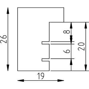
Cadre photo en bois massif, profil bloc profond 1,9 cm, laqué, verre antireflexe, support d’appui ou suspension, 10x10 cm
Couleur 
Type De Verre 
Taille Du Cadre 

21,70 €
Incl. 20% T.V.A. , plus Expédition