✓ En ligne depuis 2006 – Expérience fiable
✓ Plus de 100 000 produits – Large choix
✓ Expédition rapide – Direct depuis notre entrepôt
✓ Livraison gratuite dès 100 €

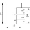
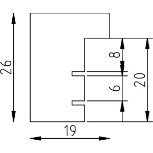
Cadre photo bois profil 58 antiksilver 7x10 cm avec verre de musée

Cadre photo en bois massif, profil à bloc profond 1,9 cm, laqué antiksilver, verre de musée UV 70%, posable ou suspendable, dimensions 7x10 cm
Couleur 
Type De Verre 
Taille Du Cadre 

20,85 €
Incl. 20% T.V.A. , plus Expédition