✓ En ligne depuis 2006 – Expérience fiable
✓ Plus de 100 000 produits – Large choix
✓ Expédition rapide – Direct depuis notre entrepôt
✓ Livraison gratuite dès 100 €

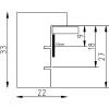
Cadre photo bois noyer 10,5x14,8 cm effet profil 54

Cadre photo en bois massif noyer, épaisseur 2,2 cm, rainure de maintien, verre transparent, pose ou accrochage, style shabby chic ou country
Couleur 
Type De Verre 
Taille 

41,50 €
Incl. 20% T.V.A. , plus Expédition