✓ En ligne depuis 2006 – Expérience fiable
✓ Plus de 100 000 produits – Large choix
✓ Expédition rapide – Direct depuis notre entrepôt
✓ Livraison gratuite dès 150 €

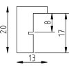
Cadre photo bois néon jaune 20x25 cm verre clair

Cadre photo en bois massif, couleur néon jaune, format 20x25 cm, profil block étroit 1,3 cm, verre clair, pose murale, design moderne et audacieux
Couleur 
Type De Verre 
Format Du Cadre 

27,20 €
Incl. T.V.A. , plus Expédition