✓ En ligne depuis 2006 – Expérience fiable
✓ Plus de 100 000 produits – Large choix
✓ Expédition rapide – Direct depuis notre entrepôt
✓ Livraison gratuite dès 100 €

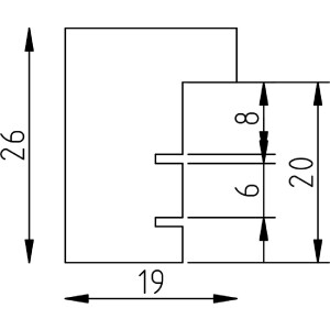
Cadre photo bois massif profil 58 blanc 25x38 cm verre clair

Cadre photo en bois massif, profil bloc profond, lattes 1,9 cm, vernis 6 couches, verre clair, finition haut de gamme, idéal murale
Couleur 
Type De Verre 
Taille Du Cadre 

44,45 €
Incl. 20% T.V.A. , plus Expédition