✓ En ligne depuis 2006 – Expérience fiable
✓ Plus de 100 000 produits – Large choix
✓ Expédition rapide – Direct depuis notre entrepôt
✓ Livraison gratuite dès 100 €

Cadre photo bois marron 10x10 cm, profil Top S, verre standard

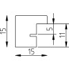
Cadre photo en bois massif 10x10 cm, profil carré coins arrondis, lèvre 1,5 cm, couleur marron laquée 5 couches, verre standard transparent, arrière-plan avec support pour pose ou accrochage
Couleur 
Type de verre 
Taille 

16,00 €
Incl. 20% T.V.A. , plus Expédition