✓ En ligne depuis 2006 – Expérience fiable
✓ Plus de 100 000 produits – Large choix
✓ Expédition rapide – Direct depuis notre entrepôt
✓ Livraison gratuite dès 150 €

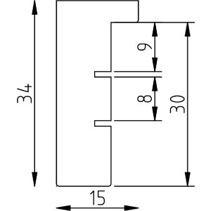
Cadre photo bois lime 30x40 cm avec verre acrylique musée

Cadre photo en bois massif lime naturelle, profil 1,5 cm, verre acrylique musée anti-UV, résistant aux rayures, idéal pour intérieurs modernes ou classiques, dimensions 30x40 cm
Type De Verre 
Format Du Cadre 

169,95 €
Incl. T.V.A. , Livraison gratuite