✓ En ligne depuis 2006 – Expérience fiable
✓ Plus de 100 000 produits – Large choix
✓ Expédition rapide – Direct depuis notre entrepôt
✓ Livraison gratuite dès 150 €

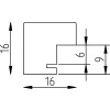
Cadre photo bois Effect Profil 51 antikgold 20x30 cm verre musée

Cadre photo en bois massif profil 51, finition antikgold, verre musée UV 70%, bords arrondis, épaisseur 1,6 cm, design vintage moderne
Couleur 
Type De Verre 
Taille Du Cadre 

53,85 €
Incl. T.V.A. , plus Expédition
  • Immédiatement disponible