✓ En ligne depuis 2006 – Expérience fiable
✓ Plus de 100 000 produits – Large choix
✓ Expédition rapide – Direct depuis notre entrepôt
✓ Livraison gratuite dès 100 €

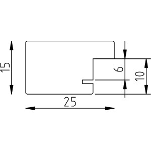
Cadre Photo Bois Chêne Profil 71 24x30 cm Verre Clair

Cadre photo bois chêne massif, profil 71, épaisseur liseré 2,5 cm, verre clair, design naturel et durable, format 24x30 cm, pose murale simple
Type de verre 
Taille 

43,20 €
Incl. 20% T.V.A. , plus Expédition