✓ En ligne depuis 2006 – Expérience fiable
✓ Plus de 100 000 produits – Large choix
✓ Expédition rapide – Direct depuis notre entrepôt
✓ Livraison gratuite dès 100 €

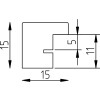
Cadre photo en bois profil Top S bleu 40x40 cm anti-reflets

Cadre photo en bois massif bleu, profil Top S 40x40 cm, bords arrondis, verre anti-reflets, lasure 5 couches, design moderne et élégant
Couleur 
Type de verre 
Taille 

49,55 €
Incl. 20% T.V.A. , plus Expédition