✓ En ligne depuis 2006 – Expérience fiable
✓ Plus de 100 000 produits – Large choix
✓ Expédition rapide – Direct depuis notre entrepôt
✓ Livraison gratuite dès 100 €

Cadre photo en bois orange 40x50 cm avec verre anti-reflet

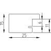
Cadre photo en bois massif, profil carré 2,5 cm, teinte orange vif, verre anti-reflet, 6 couches laque, fixation murale, durabilité européenne
Couleur 
Type de verre 
Taille 

52,55 €
Incl. 20% T.V.A. , plus Expédition