✓ En ligne depuis 2006 – Expérience fiable
✓ Plus de 100 000 produits – Large choix
✓ Expédition rapide – Direct depuis notre entrepôt
✓ Livraison gratuite dès 100 €

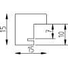
Cadre photo en bois chêne 24x30 cm avec verre anti-reflet

Cadre photo en bois massif chêne véritable, profilé 1,5 cm, verre anti-reflet, format 24x30 cm, élégant et pratique pour exposer vos photos
Type de verre 
Taille 

43,00 €
Incl. 20% T.V.A. , plus Expédition