✓ En ligne depuis 2006 – Expérience fiable
✓ Plus de 100 000 produits – Large choix
✓ Expédition rapide – Direct depuis notre entrepôt
✓ Livraison gratuite dès 100 €

Cadre photo bois Top Pro 18x32 cm verre anti-reflet

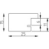
Cadre photo en bois massif hellbrun 18x32 cm, verre anti-reflet, profil à angle 2,5 cm, peint six fois, montage mural, design sobre et élégant
Couleur 
Type de verre 
Taille 

34,95 €
Incl. 20% T.V.A. , plus Expédition