✓ En ligne depuis 2006 – Expérience fiable
✓ Plus de 100 000 produits – Large choix
✓ Expédition rapide – Direct depuis notre entrepôt
✓ Livraison gratuite dès 100 €

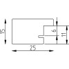
Cadre Photo Bois Profil Top Pro Bleu 20x20 cm Anti-Reflet

Cadre photo en bois massif, profil carré bleu laqué EU, verre anti-reflet, suspension murale, dimensions 20x20 cm
Couleur 
Type de verre 
Taille 

26,85 €
Incl. 20% T.V.A. , plus Expédition